電力量計 三菱電力量計 M8HMシリーズ
M8HMシリーズとは
スマートメーター機能 (電力量の30分タイムデータ、通信機能) を搭載した電力量計です。
通信機能(電文出力)に加えて、電力量タイムデータを保持するので、
きめ細かなエネルギー監視・時間帯別計量が可能です。
さらに、モバイル検針が行えます。
M8HM-S2VTR形
M8HM-B形
(B/NET伝送モジュール)
M8HM-MB形
(MODBUS通信モジュール)
特長
B/NET伝送・MODBUS通信に対応(当社初の三相4線式・精密級に対応) ※1
モバイル検針が可能 ※1
電力量の30分タイムデータ
双方向計量計器のラインアップ(当社初の精密級に対応)
互換性(M8Pシリーズとの取付・配線互換)
誤結線判別のサポート
無通電時の計量値確認 ※1
1:別売り部品を組合わせることで、ご使用いただけます。
2:モバイル検針は、単方向計器(普通・精密電力量計)のみ対応しています。(双方向計器(普通・精密電力量計)、無効電力量計は除く)
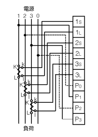
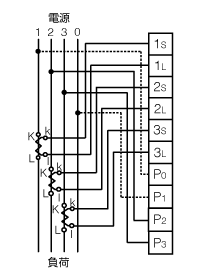
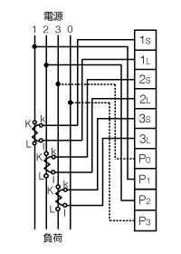
B/NET伝送・MODBUS通信に対応
B/NET伝送モジュール(M8HM-B形)の装着時の例
B/NET伝送、MODBUS通信対応
電気設備の負荷監視可能
モバイル検針が可能
タブレット、スマートフォンからBluetooth® Low Energy通信で計量値を取得可能!
さらに、取得したデータはCSVファイルでパソコンへ送信可能です。
自動検針装置が設置されていない中規模・小規模検針に適しています。
(目視検針の時、電力量計の近くに寄れないとき)
モバイル検針は、単方向計器(普通・精密電力量計)のみ対応しています。(双方向計器(普通・精密電力量計)、無効電力量計は除く)
30分タイムデータ
30分ごとの電力量タイムデータを保持(当日含め45日分)し、通信機能により30分タイムデータの取得が可能です。お客様の上位装置と組み合わせて使用することで、時間帯別使用電力量計の確認が可能です。
M8HM本体での30分タイムデータの確認はできません。
データを収集するためには、B/NET伝送モジュール(M8HM-B形)またはMODBUS通信モジュール(M8HM-MB形)と組み合わせる必要があります。
双方向計量計器をラインアップ
従来、順方向電流と逆方向電流を計量する場合、電力量計が2台必要でしたが、双方向計量計器では、順方向電流と逆方向電流を電力量計1台で計量することが可能です。
旧モデル(M8Pシリーズ)と取付・配線互換を有す
M8Pシリーズと外形・取付ピッチは同一寸法にしていますので、M8Pシリーズからの更新が容易に行えます。
奥行寸法は1mm異なります。
誤接続判別サポート機能
単相3線式、三相4線式回路の中性線の誤接続判別をサポートします。誤接続があれば計量値表示が点滅します。
【表示例】 単相3線式の接続例
| 1 | 2 | 3 | |
|---|---|---|---|
| 接続状態 | 正常
|
P 1 端子とP 2 端子の接続が逆
|
P 2 端子とP 3 端子の接続が逆
|
| 表示部 | 計量値:点灯(正常) | 計量値:点滅 | 計量値:点滅 |
【表示例】 三相4線式の接続例
| 1 | 2 | 3 | 4 | |
|---|---|---|---|---|
| 接続状態 | 正常
|
P 1 端子とP 0 端子の接続が逆
|
P 2 端子とP 0 端子の接続が逆
|
P 3 端子とP 0 端子の接続が逆
|
| 表示部 | 計量値:点灯(正常) | 計量値:点滅 | 計量値:点滅 | 計量値:点滅 |
三相4線式240/415V計器は除く
【表示例】 変成器組合せ計器で変流器(CT)と計器を誤結線した場合
「○」:点灯、「◎」:点滅、「-」:消灯、「△」:いずれかが点灯
| 接続状態 | 状態表示部 | |||||||||||||||
|---|---|---|---|---|---|---|---|---|---|---|---|---|---|---|---|---|
| 単相2線式計器 | 単相3線式・三相3線式計器 | 三相4線式計器 | ||||||||||||||
| 動作 |
無負荷 |
逆電流 |
1 |
動作 |
無負荷 |
逆電流 |
1 |
3 |
動作 |
無負荷 |
逆電流 |
1 |
2 |
3 |
||
| ① | 正常な接続 | ○ | - | - | - | ○ | - | - | - | - | ○ | - | - | - | - | - |
| ② | 1側CTの接続が逆 | - | - | ○ | ○ | △ | △ | △ | ○ | - | △ | △ | △ | ○ | - | - |
| ③ | 2側CTの接続が逆 | (対象がありません) | (対象がありません) | △ | △ | △ | - | ○ | - | |||||||
| ④ | 3側CTの接続が逆 | △ | △ | △ | - | ○ | △ | △ | △ | - | - | ○ | ||||
| ⑤ | 1側CTと3側CTとも接続が逆 | - | - | ◎ | ○ | ○ | △ | △ | △ | ○ | - | ○ | ||||
| ⑥ | 1側と3側のCTが入れ替わり (平衡負荷) |
- | ○ | - | △ | △ | ◎ | - | - | △ | - | △ | ||||
| ⑦ | 1側と3側のCTが入れ替わり (不平衡負荷) |
△ | - | △ | △ | △ | △ | - | △ | △ | - | △ | ||||
1:△は負荷の状態(平衡/不平衡)により、いずれかが点灯します。(逆電流が点灯する場合は点滅表示となります。)
2:三相3線式計器のとき力率が0.5以下になると正しい配線であっても相表示( 1 、 3 )が点灯することがあります。
無通電時の計量値確認が可能
M8HM-TD形停電時表示用モジュール(別売部品)の接続により、無通電状態でも計量値の読取りが可能です。従来のM8Pシリーズ(補助電源端子付)のようにMA/MB端子への配線は不要です。
計器取付前後の計量値の確認は電池モジュール(M8FM-BAT形)をご使用ください。