電力量計 三菱電力量計 M8FMシリーズ
M8FMシリーズとは
分電盤の省スペース化・標準化のニーズに対応した電力量計です。
スマートメーター機能 (電力量の30分タイムデータ、通信機能) の搭載により、
きめ細やかなエネルギー監視・時間帯別計量を実現いたします。
さらに、モバイル検針が行えます。
M8FM-S1R形
(発信装置付)
M8FM-N1LTR形
(B/NET伝送機能付)
M8FM-N3LTR形
(MODBUS通信機能付)
M8FM-S1R形
(モバイル用検針モジュールを取付けた状態)
特長
B/NET伝送・MODBUS通信に対応
モバイル検針が可能 ※1、2
電力量の30分タイムデータ ※3
双方向計量計器のラインアップ ※3
互換性(M8UMとの互換性)
誤接続判別サポート機能
無通電時の計量値確認 ※2
1:モバイル検針はパルス出力品のみ対応しています。
2:別売り部品を組合わせることで、ご使用いただけます。
3:B/NET伝送機能付、MODBUS通信機能付のみ対応しています。
B/NET伝送・MODBUS通信に対応
B/NET伝送、MODBUS通信対応
電気設備の負荷監視可能
モバイル検針が可能
タブレット、スマートフォンからBluetooth® Low Energy通信で計量値を取得可能!
さらに、取得したデータはCSVファイルでパソコンへ送信可能です。
自動検針装置が設置されていない中規模・小規模検針に適しています。
(目視検針の時、電力量計の近くに寄れないとき)
Bluetooth® Low Energy通信により、お客様のモバイル端末(タブレット・スマートフォン)へ使用電力量(計量値データ)が収集できます。
誤検針(読取りミス・転記ミス)の防止や検針データの管理をサポートします。
電力量計から離れた場所でも検針が可能です。(見通し約10m)
1:基準適合品のみです。
2:モバイル検針アプリケーションはApp Storeよりダウンロード(無償)が可能です。
30分タイムデータ
30分ごとの電力量タイムデータを保持(当日含め45日分)し、通信機能により30分タイムデータの取得が可能です。お客様の上位措置と組み合わせて使用することで、時間帯別使用電力量の確認が可能です。
双方向計量計器をラインアップ
従来、順方向電流と逆方向電流を計量する場合、電力量計が2台必要でしたが、双方向計量計器では、順方向電流と逆方向電流を電力量計1台で計量することが可能です。
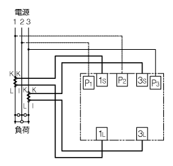
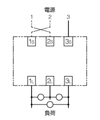
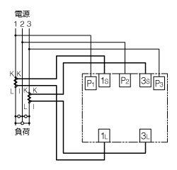
M8UMシリーズと取付・配線互換を有する
M8UMシリーズと端子配列及び取付ピッチは同一としていますので、M8UMシリーズからの更新は容易に行えます。M8UMシリーズの外観イメージを有したイメージです。
誤接続判別サポート機能
単相3線式回路の中性線の誤接続判別をサポートします。誤接続があれば計量値表示が点滅します。
| 単相3線式 | 表示器 | ||
|---|---|---|---|
| 単独計器 | 変成器組合せ計器 | ||
| 正しい接続 | 正常
|
正常
|
計量値:点灯状態(正常) |
| 中性線を誤接続 | 1S端子と2S端子の接続が逆
|
P 1 端子とP 2 端子の接続が逆
|
計量値:点滅状態(誤結線) |
【表示例】 変成器組合せ計器で変流器(CT)と計器を誤結線した場合
「○」:点灯、「◎」:点滅、「-」:消灯、「△」:いずれかが点灯
| 接続状態 | 状態表示部 | |||||||||
|---|---|---|---|---|---|---|---|---|---|---|
| 単相2線式計器 | 単相3線式・三相3線式計器 | |||||||||
| 動作 |
無負荷 |
逆電流 |
1 |
動作 |
無負荷 |
逆電流 |
1 |
3 |
||
| ① | 正常な接続 | ○ | - | - | - | ○ | - | - | - | - |
| ② | 1側CTの接続が逆 | - | - | ◎ | ○ | △ | △ | △ | ○ | - |
| ③ | 3側CTの接続が逆 | (対象がありません) | △ | △ | △ | - | ○ | |||
| ④ | 1側CTと3側CTとも接続が逆 | - | - | ◎ | ○ | ○ | ||||
| ⑤ | 1側と3側のCTが入れ替わり(平衡負荷) | - | ○ | - | △ | △ | ||||
| ⑥ | 1側と3側のCTが入れ替わり(不平衡負荷) | △ | - | △ | △ | △ | ||||
1:△は負荷の状態(平衡/不平衡)により、いずれかが点灯します。(逆電流が点灯する場合は点滅表示となります。)
2:三相3線式計器のとき力率が0.5以下になると正しい配線であっても相表示( 1 、 3 )が点灯することがあります。
3:双方向計器の場合は、順方向電流のときに確認してください。(順方向電流の場合は左表となります。)
変成器組合せ計器はVT・CTの誤結線判別をサポートします。
設置前・更新後(取外し後)の計量値確認が簡単
M8FM-BAT形電池モジュール(別売品)の使用により、計器が無通電状態でも計量値の読取りが可能です。