Factory Automation

電力量計 三菱電力量計 M2PMシリーズ

三菱電力量計 M2PMシリーズ

M2PMシリーズとは

M2PMシリーズは、電子化・新機能をプラスした誘導形の置き換え可能な電力量計です。
誘導形電力量計と取付互換を有し、軽量化・薄形化を実現しました。

M2PM-R形
(発信装置なし)

M2PM-S34VR形
(発信装置付)

M2PM-R形
(モバイル用検針モジュールを取付けた状態)

特長

60Aラインアップ(単相3線・三相3線式表面形計器)

誘導形の置き換え

薄形・軽量化

誤接続判別サポート機能

モバイル検針が可能

無通電時の計量値確認

誘導形電力量計からの置換え対応

表面形 埋込形

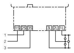
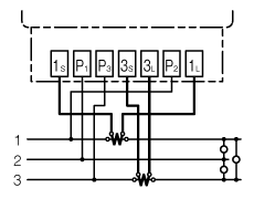
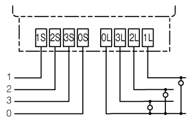
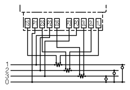
定格は30A、60A、120A、5Aから選定可能です。誘導形電力量計と入力配線 及び取付ピッチの互換が可能なため、既設の誘導形電力量計から置換えできます。

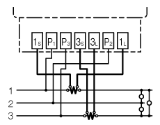
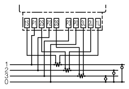
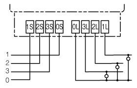
パルス端子及びパルス線の配線方法は誘導形電力量計と異なります。

外形の薄形・軽量化を実現

表面形 埋込形

奥行寸法は全機種薄形化及び同一寸法(表面形:90mm、埋込形:99mm(端子カバー取付時))です。同時にプラスチックケース・カバーの採用により軽量化を実現しましたので、盤の薄形・軽量化に貢献します。(当社製品の重量比:単相3線式100V30A品のとき誘導形の約1/3)

誤接続判別サポート機能

表面形 埋込形

単相3線式及び三相4線式計器は各回路の中性線の誤接続判別をサポートします。誤接続があれば計量値表示が点滅します。

【表示例】 単相3線式回路又は三相4線式回路の中性線を誤接続した場合

  単相3線式 三相4線式 表示器
単独計器 変成器組合せ計器 単独計器 変成器組合せ計器
正しい接続
計量値:点灯状態(正常)
中性線を誤接続 1Sと2Sを誤接続
P 1 とP 2 を誤接続
1Sと0Sを誤接続
P 1 とP 0 を誤接続
計量値:点滅状態

三相4線式240/415V計器は除く。

変成器組合せ計器はVT・CTの誤結線判別をサポートします。

モバイル検針が可能

表面形 埋込形

タブレット、スマートフォンからBluetooth® Low Energy通信で計量値を取得可能!

さらに、取得したデータはCSVファイルでパソコンへ送信可能です。
目視で検針されている中規模・小規模物件に適しています。

Bluetooth® Low Energy通信により、お客様のモバイル端末(タブレット・スマートフォン)へ使用電力量(計量値データ)が収集できます。
誤検針(読取りミス・転記ミス)の防止や検針データの管理をサポートします。
電力量計から離れた場所でも検針が可能です。(見通し約10m)
モバイル検針アプリケーションはM2PMシリーズ・M8FMシリーズ・M8HMシリーズが混在した環境でもご使用いただけます。

モバイル検針アプリケーションはApp Storeよりダウンロード(無償)が可能です。

設置前・更新後の計量値確認が可能(オプション機能)

表面形 埋込形

無通電状態でも計量値読取可能

M2PM-BAT形電池モジュール(別売品)の接続により、無通電状態でも計量値の読取りが可能です。

取付・取外可能

電池モジュールは取付・取外しが可能です。

M2PMシリーズ全機種対応

電池モジュール(M2PM-BAT形)はM2PMシリーズの全機種(M1PM-R、M2PM-R、M3PM-R形発信装置なし・発信装置(S34)付計器及び埋込形計器)にご使用いただけます。

モバイル用検針モジュールと電池モジュールの同時取付けはできません。

発信装置を1種類(S34形半導体リレー出力)に統一

表面形 埋込形

M2PMシリーズの発信装置(S34形)は、誘導形電力量計の発信装置(K5形、K11形、K12形)と互換を有していますので、発信装置付誘導形電力量計からの置換えが可能です。

単独計器(発信装置なし)の耐候性能を普通耐候形にてラインアップ

表面形

誘導形電力量計の単独計器(発信装置なし)と耐候性能を同一(普通耐候形)としましたので、設置環境を変更することなく置換えが可能です。

(JIS C 1271より抜粋)

耐候性能 概要
普通耐候形 屋外の雨線内または屋内に設置され、直射日光が当たり、雨水が時々かかる場所で使用することができる耐候構造の計器
屋内耐候形 雨水が全くかからず、直射日光が当たる場所で使用することができる耐候構造の計器

M2PMシリーズの単独計器(発信装置付)、変成器組合せ計器(表面形及び埋込形)は屋内耐候形となります。

変成器組合せ計器の検定有効期間は7年に統一

表面形 埋込形

誘導形電力量計の変成器組合せ計器では検定有効期間が5年または7年ですが、電子式電力量計M2PMシリーズでは全て7年となります。検定有効期間満了に伴う更新費用等のランニングコストが削減できます。

条件 検定有効期間
誘導形電力量形 M2PMシリーズ
定格電圧又は計器用変圧器(VT)の一次電圧が300V以下で、変流器(CT)の一次電流が120A以下の計器 7年 7年
上記以外の計器 5年

単独計器は誘導形電力量計と同様に検定有効期間は10年です。

ダウンロード

関連リンク