Factory Automation

サーボエンジニアリングソフトウェア MR Configurator2

サーボアンプの立上げから保守までの全フェーズを支援するソフトウェアです。パラメータ設定,モニタ表示,診断,テスト運転,サーボ調整などを簡単に行うことができます。サーボアシスタント機能により初心者でも作業手順に応じた最適な機能が使用できます。


チューニング

さらに進化したリアルタイムオートチューニング

  • 応答性を設定するだけで、すべてのゲインを自動調整。
  • 更に性能を追求したい場合は、マニュアル設定にて制御ゲインを微調整できます。
  • 調整結果(整定時間やオーバシュート量)を表示します。

ワンタッチ調整

先進の振動抑制機能を、ワンタッチ感覚の操作性で。

  • [開始]ボタンをクリックするだけで、負荷慣性モーメント比の推定、ゲイン調整、機械の共振抑制など、サーボ性能を最大限に引き出すための調整を自動で実行します。調整後には整定時間やオーバシュート量で調整結果を確認できます。

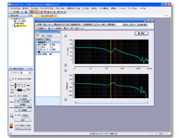
マシンアナライザ

機械特性が測定可能

  • サーボモータを自動的に加振させ、機械系の周波数特性を解析します(0.1~4.5kHz)。機械共振抑制フィルタの設定などを支援します。

関連リンク