Factory Automation

インバータ FREQROL-E シリーズ -FREQROL-E800- エンジニアリングツールでさらに便利

エンジニアリングツールでさらに便利

設計、運用、保守それぞれのフェーズで作業効率向上に貢献

「FR Configurator2」でさらに便利 E800 E800-E E800-SCE

インバータの立上げからメンテナンスまでパソコンで簡単に行えるソフトウェア
「FR Configurator2」と組み合わせることで、さらに便利な機能がお使いいただけます。

「FR Configurator2」体験版はこちらから

機能 無償版
パラメータリスト
安全パラメータ設定(FR-E800-SCE)
診断
AIアラーム診断 ×
グラフ ×
一括モニタ ×
テスト運転
入出力端子モニタ ×

製品版と同じ機能を30日間試用できる体験版(期間限定版)も用意しています。

機能 無償版
コンバート
Developer ×
USBメモリパラメータ コピーファイル編集 ×
Ethernetパラメータ設定
iQSSバックアップファイル変換
ヘルプ

○:対応 ×:非対応

寿命診断

インバータから読み出した寿命情報を専用画面で表示します。 交換時期を越えているインバータ部品は、警報マークが表示されます。寿命部品の交換時期の目安としてお使いください。

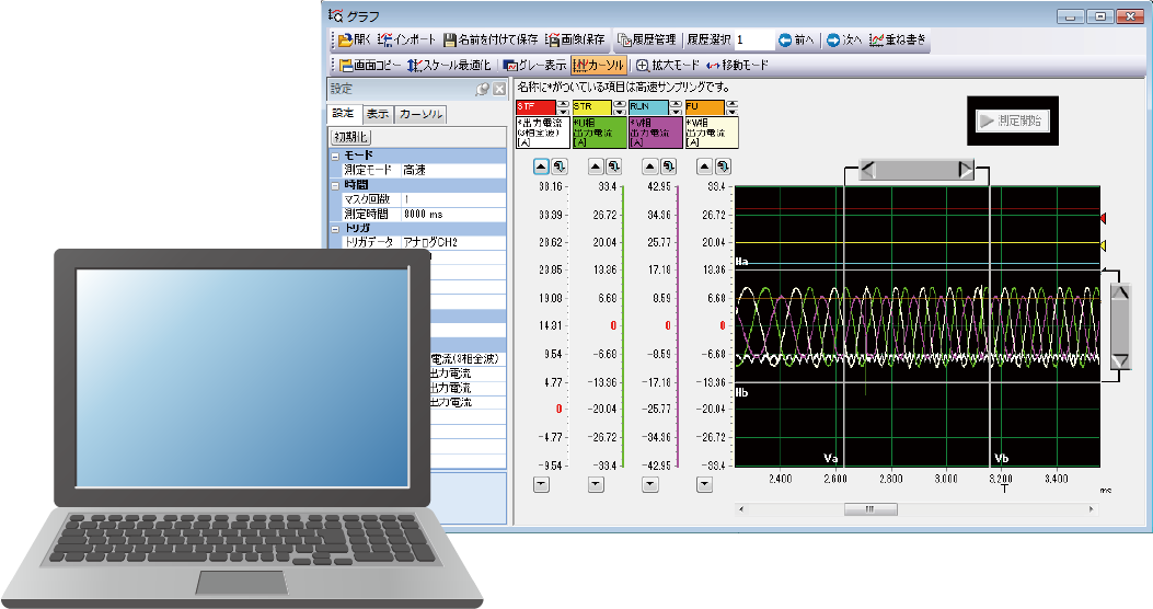
グラフ機能 トレース機能

保護機能動作直前の波形を自動取得できます。
トレースデータを読み込み、グラフ表示・ログ解析が可能です。

Ethernetパラメータ設定

同一サブネットマスク内のインバータを自動検知し、簡単にネットワーク設定ができます。

診断(アラーム履歴)

インバータのアラーム履歴を表示します。また、時計機能の設定またはCC-Link IE TSN利用で、アラーム発生時刻も表示可能です。いつ、どのようなアラームが発生したかを確認でき、アラーム発生の原因究明をサポートします。

「スマートフォン」でさらに便利 E800 E800-E E800-SCE

三菱電機 FA SPEC Search

  • Webサイトではオプション、モータの組み合わせまで選定できます。
    スマートフォン、Webサイトから手軽に製品を検索できます。

三菱電機 FA SPEC Searchの詳細はこちら

以下のQRコードから無料ダウンロードできます。

立上げ支援ページ

  • 製品正面のQRコードからWebサイトの製品立上げ支援ページへダイレクトリンク。
    取扱説明書、セットアップ動画、外形寸法図を簡単に利用できます。

モバイルアプリ

E800 E800-E E800-SCE

モバイル端末の画面上で、インバータのパラメータ設定変更、運転停止、モニタ表示などが可能で、離れた場所からインバータに無線でアクセスできます。
運転周波数や入出力端子の状態など、インバータの状態を一画面に表示でき、簡単にインバータの状態監視が可能です。
インバータが入ったシステムで無線装置が必要です。

以下のQRコードから無料ダウンロードできます。

「容量選定ツール Motorizer」でさらに便利 E800 E800-E E800-SCE

機械の構成や仕様、動作パターンを入力することで、使用可能なモータを選定するためのソフトウェアです。インバータやセンサレスサーボ、ACサーボを含めた選定を行うことができます。
複数候補の選定結果から最適な組合せを選ぶことが可能で、多軸システムにも対応しています。
ボールねじやラック&ピニオンなど12種類の負荷機構が選択できます。
Step1からStep3のナビゲーションに従って入力することで選定できます。
電源回生共通コンバータなどを使用する場合、コンバータの容量を同時に選定することができます。

容量選定ツール Motorizerのダウンロードはこちら

「機種選定ツール」でさらに便利 E800 E800-E E800-SCE

モータの容量や電流値を入力し、欲しい仕様を選択していくと、最適なインバータを絞り込み検索します。インバータ形名の検討時間の短縮を図ります。

機種選定ツールはこちら

「Edgecross」でさらに便利 E800 E800-E E800-SCE

生産現場からのデータを最大限活用し、エッジコンピューティング、システムとインバータを融合し、生産性向上、設備保全等の様々な課題への取り組みが可能です。

  • 生産現場の多数の機器・装置・ラインのデータを統合して処理
  • 生産現場へのリアルタイムなフィードバック
  • 現場のノウハウを活かした現場レベルの機器監視

「GOTとの連携」でさらに便利 E800 E800-E E800-SCE

インバータとGOT(表示器)の親和性を強化し、GOTアプリケーションを提供することで、さまざまなメリットを創出します。
GOT2000との接続は局番設定のみで簡単です。その他の設定は自動で設定されます。

サンプル画面流用による作画工数削減を実現

GOTで、インバータのパラメータ設定や一括モニタ、負荷特性測定などができるサンプル画面 *1 を多数ご用意しています。
サンプル画面を活用することで簡単にシステムを立上げできます。

  • *1 サンプル画面はGT Works3に同梱、または三菱電機FAサイトから入手できます。サンプル画面は FR-E800/FR-E800-Eに対応しています。FR-E800-SCEは対応予定です。

パソコンレスで作業効率を向上

GOTとの連携により、パソコンレスでインバータの立上げ、調整、保守が可能になります。

装置の異常を素早く注意喚起

インバータ正常時の出力周波数とトルクの関係をインバータに記憶させて、負荷が正常な状態で運転しているか監視できます。正常範囲から外れた場合にエラー・警告を出力することで装置の異常検出やメンテナンスに活躍します。

GOT連携でダウンタイムを短縮

インバータで発生しているアラームをGOT画面上に簡単に表示できます。
トラブルが発生した場合でも、すぐに原因究明にでき、ダウンタイム削減に貢献します。